キーセルスペーサー
キーセルスペーサー
- RoHS2対応品
キーセルスペーサーはプリント基板や各種母材の脱着を素早く行うことができる製品です。
組み立て工程の効率化やボルトの使用数削減にも貢献します。取付時のバリ取り、サラモミ等の加工は不要です。
加工後も取付板表面に突起が生じず、きれいに仕上げることができます。
キーセルスペーサーの型式選定方法
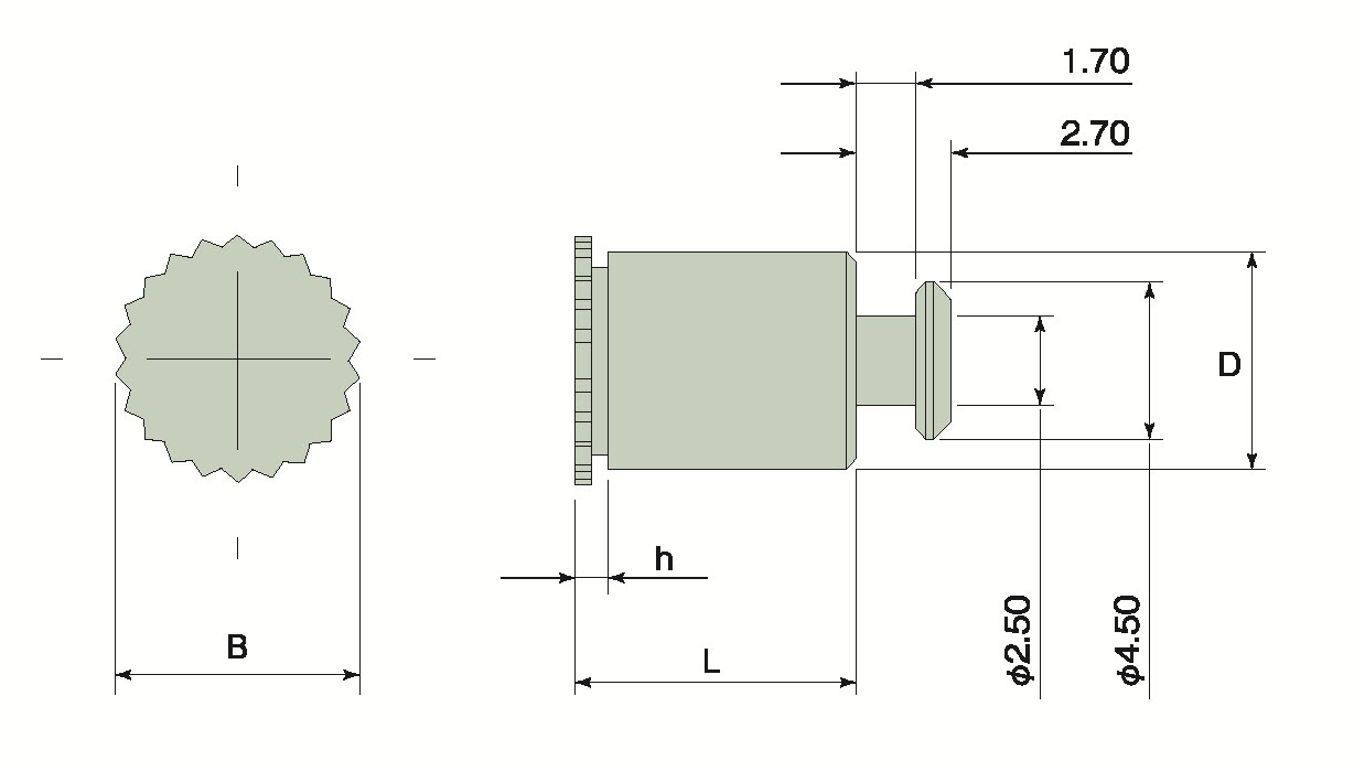
キーセルスペーサーの寸法表
標準(t=1.0~)
単位mm
| 型式 | h 最大 |
使用可能 最小板厚 |
L ±0.1 |
B +0.4 -0 |
D +0.04 -0.05 |
2.7 MAX |
1.7 ±0.08 |
4.5 ±0.08 |
2.5 ±0.08 |
取付穴径 +0.08 -0 |
取付穴中心と 板端の最小距離 |
||||
|---|---|---|---|---|---|---|---|---|---|---|---|---|---|---|---|
| ステンレス鋼 | |||||||||||||||
| DFS-KEYφ6.15- | 1.0 | 1.0 | 6 | 8 | 10 | 12 | 14 | 7.0 | 6.15 | 2.7 | 1.7 | 4.5 | 2.5 | 6.2 | 7.0 |
※表記以外のその他寸法についてはお問い合わせ下さい。
キーセルスペーサーの取付
従来の設備(標準プレス機)で圧入。
- 定められた取付下穴をあける。
(注)この時取付側の取付穴のバリ等の母材を削り取る事はせず、そのまま圧入する。 - 取付穴及び下型にセルスペーサーを挿入する。
- プレスでローレット部が相手母材と面一になるまで加圧する。
※標準セルスペーサーと同様です。

信頼性
高い押抜力、正確な垂直度が得られます。
- 圧入する事によりローレット部が相手板材を塑性変形させ、ローレット部下の溝へ相手材を固定させるため、高い押抜力が得られます。
※標準セルスペーサーと同様です。

結果
綺麗な仕上がりです。
- プレス後の後処理は、基本的に不要です。
キーセルスペーサーの性能表
| 型式 | DFS-KEY 母材 AL5052 1.5mm | DFS-KEY 母材 SECC 1.6mm | DFS-KEY 母材 SUS430KD 1.0mm | |||
|---|---|---|---|---|---|---|
| 圧入加力 kN(kgf) |
耐押抜力 kN(kgf) |
圧入加力 kN(kgf) |
耐押抜力 kN(kgf) |
圧入加力 kN(kgf) |
耐押抜力 kN(kgf) |
|
| DFS-KEY | 6.9 (700)~ 9.8 (1000) |
1.275 (130) | 9.8 (1000)~ 12.7 (1300) |
1.952 (199) | 14.7 (1500) | 2.499 (255) |
※表記データは参考値です。測定器・使用条件により、多少の変化が生じます。
| 型式 | DFS-KEY 母材 SECC 1.6mm | ||||
|---|---|---|---|---|---|
| 倒れ荷重(製品傾きが発生する荷重)kN(kgf) | |||||
| DFS-KEY | L寸法 | ||||
| 6 | 8 | 10 | 12 | 14 | |
| 0.49 (50) | 0.44 (45) | 0.39 (40) | 0.34 (35) | 0.29 (30) | |
※表記データは製品傾きが発生した段階での参考値です。測定器・使用条件により、多少の変化が生じます。
キーセルスペーサーの材質と処理
| 型式 | 材質 | 処理 | 仕上げ |
|---|---|---|---|
| DFS-KEY | ステンレス鋼 | ― | 脱脂 |
※相手母材がSUS430には圧入可能です。
※相手母材がSUS303,304には圧入不可です。
※相手母材がUS303,304対応品は特注品で対応しておりますので、お問い合わせ下さい。




